网站支持IPV6
闽政通
闽政通
你好
退出
登录
注册
繁体版
国务院
人社部
省政府
首页
机构概况
厅领导
部门职责
厅机关处室
直属单位
政务公开
政府信息公开
最新文件
公示公告
人事信息
财政资金
统计信息
数据开放
解读回应
回应关切
部门政策文件解读
其他政策文件解读
办事服务
人社政务服务平台
网上办事大厅
事业单位公开招聘考试报名平台
专业技术人员职称证书查询
闽政通app
互动交流
在线访谈
智能问答
意见征集
网上调查
12345便民服务平台
专题专栏
长者模式
欢迎访问福建省人力资源和社会保障厅网站!
历史搜索:
热门搜索:
长者模式
退出长者模式
无障碍浏览
当前位置:
首页
>
政务公开
>
公示公告
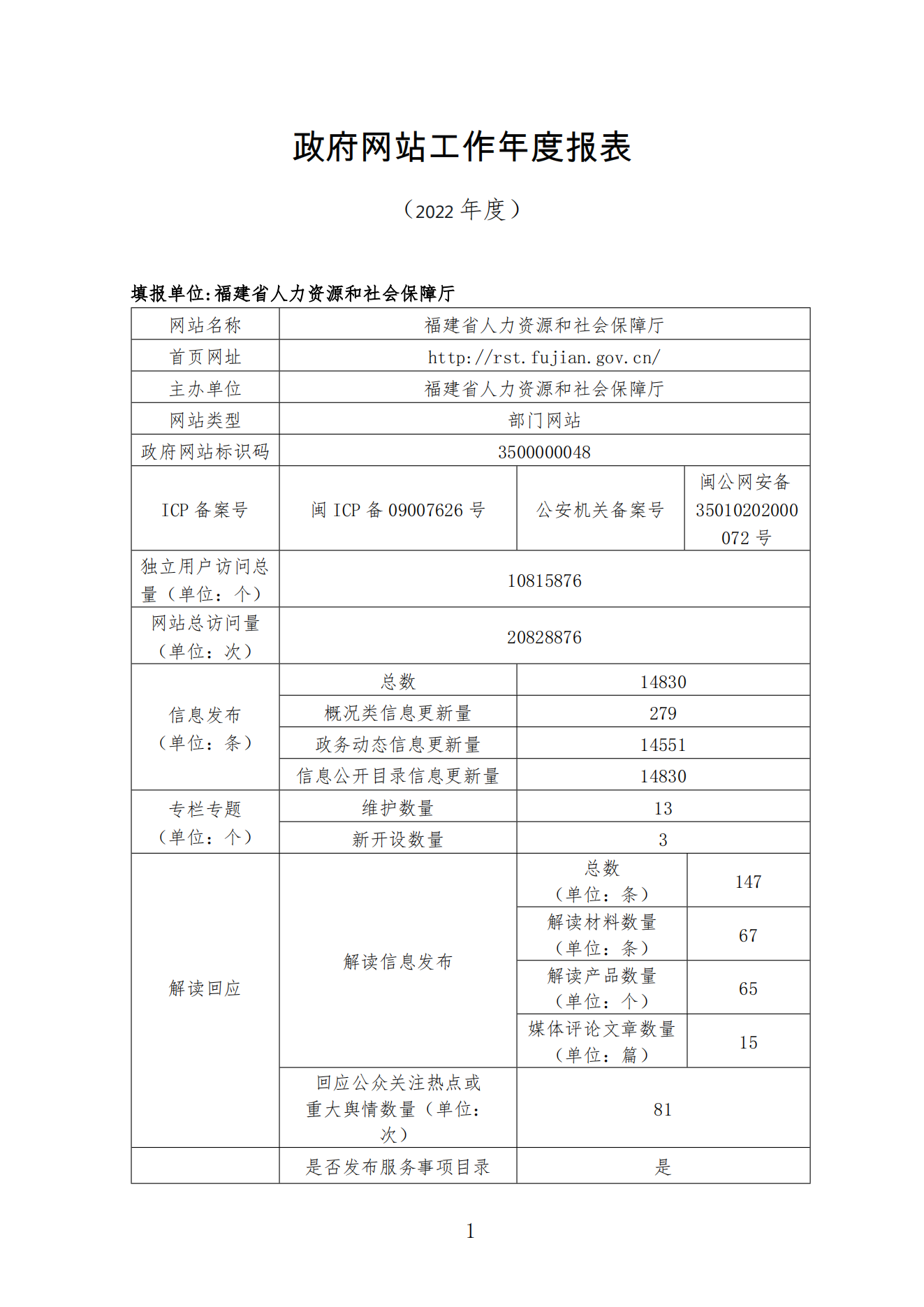
政府网站工作年度报表(2022年度)
来源:福建省人力资源和社会保障厅
发布时间 : 2023-01-19 15:03
相关文章:
附件下载:
关闭
相关文档